Username:
Password:
 

System design


Systém adresace

[nazev_bloku].[nazev_bloku]....[nazev_bloku].[nazev_objektu].[jmeno_vlastnosti]

Struktura datových bodů

  • Engine
    • Temperature (AnalogIn)
      • Present_Value
      • Low_Limit
      • High_Limit
      • Status_Flags
    • RPMs (AnalogIn)
      • Present_Value
      • Status_Flags
    • Overheat (BinaryIn) - mozna spise pres Status_Flags u Engine.Temperature
      • Present_Value
      • Status_Flags
      • Polarity
    • GeneralFailure (BinaryIn)
      • Present_Value
      • Status_Flags
      • Polarity
    • Glowing (BinaryIn)
      • Present_Value
      • Status_Flags
      • Polarity
    • Cooling (BinaryOut)
      • Present_Value
      • Status_Flags
      • Polarity
  • Fuel
    • Level (AnalogIn)
      • Present_Value
      • Low_Limit
      • Status_Flags
    • LowAlarm (BinaryIn) - mozna spise pres Status_Flags u Fuel.Level
      • Present_Value
      • Status_Flags
      • Polarity
  • Lights
    • HeadLights (BinaryOut)
      • Present_Value
      • Polarity
      • Status_Flags
      • Reliability
    • DistanceLights (BinaryOut)
      • Present_Value
      • Polarity
      • Status_Flags
      • Reliability
    • LeftDiretion (BinaryOut)
      • Present_Value
      • Polarity
      • Status_Flags
    • RightDirection (BinaryOut)
      • Present_Value
      • Polarity
      • Status_Flags
  • SystemStatus
    • Battery
      • Level (AnalogIn)
        • Present_Value
        • Low_Limit
        • Status_Flags
      • Failure (BinaryIn)
        • Present_Value
        • Status_Flags
        • Reliability
    • AuxBattery
      • Level (AnalogIn)
        • Present_Value
        • Low_Limit
        • Status_Flags
      • Failure (BinaryIn)
        • Present_Value
        • Status_Flags
        • Reliability
    • ControlUnits
      • Abs
        • Status (MultiStateIn)
          • Present_Value
          • Status_Flags
          • State_Text
      • Esp
        • Status (MultiStateIn)
          • Present_Value
          • Status_Flags
          • State_Text
    • Accelerometer
      • X (AnalogIn)
        • Present_Value
      • Y (AnalogIn)
        • Present_Value
      • Z (AnalogIn)
        • Present_Value
    • Speed (AnalogIn)
      • Present_Value
      • Status_Flags
    • GeneralFailure (BinaryIn)
      • Present_Value
    • Brakes (BinaryIn)
      • Present_Value
  • ___

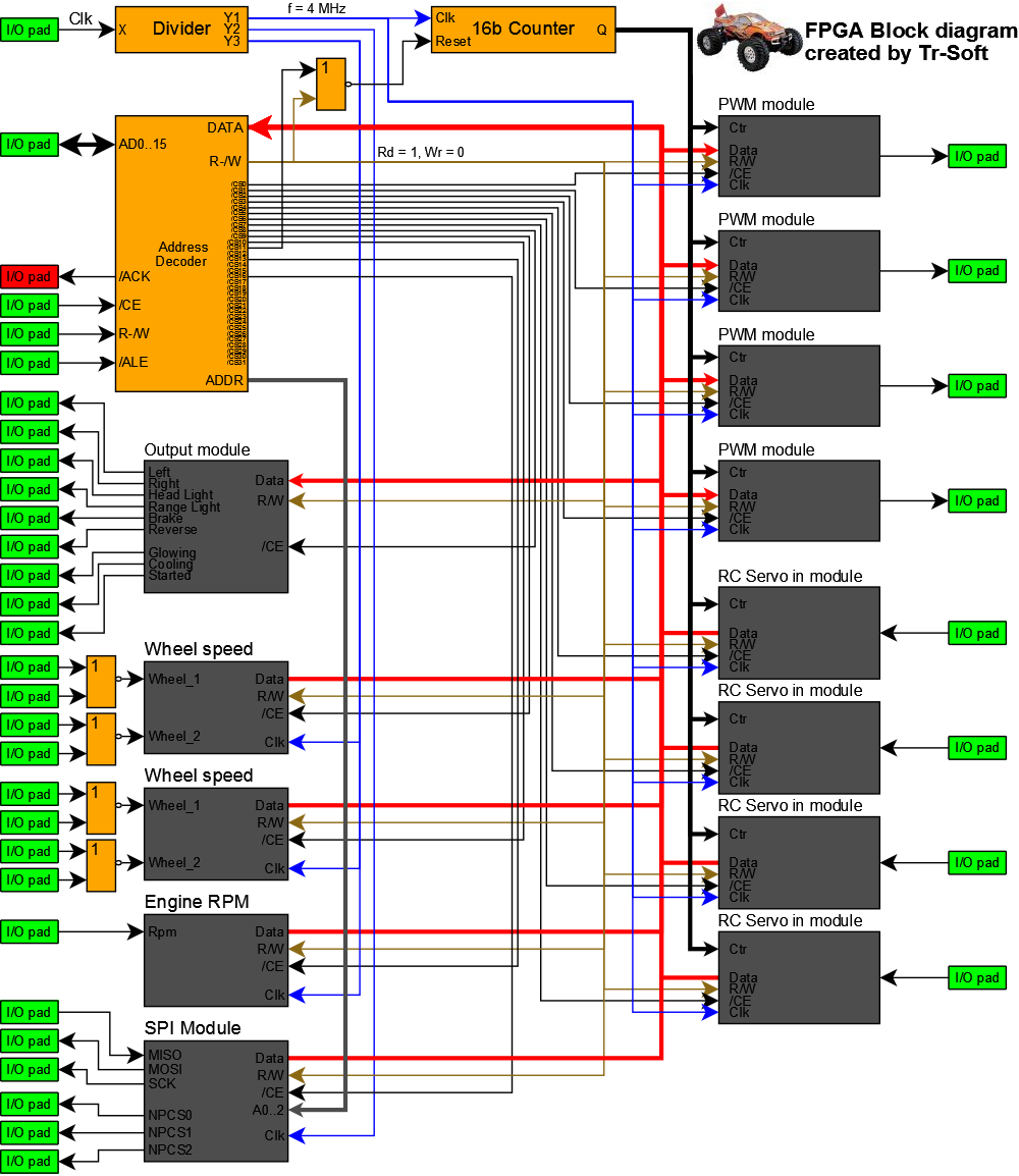
Blokové schéma


Blokové schéma

Blokové schéma FPGA


Blokové schéma FPGA

RC servo input module

PWM module
 
 
      -vod | Forum | Kontakt     Valid HTML 4.01 Transitional

     Bez svolení autora je zakázáno jakékoliv kopírování článků (i jejich částí), obrázků atd. z těchto stránek, pokud není kopírování výslovně povoleno. Uvedené
     konstrukce je přísně zakázáno využívat pro komerční účely!
     Autor nenese zodpovědnost za škody vzniklé použitím návodů uvedených na těchto stránkách :-).
     Návštěvníků od 25.12.2005: 224143.    Copyright © 2005-2009 Tronic Software. All rights reserved.